股票简称:万达重工股票代码:832936
扫描以关注微信
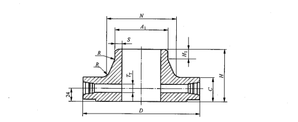
孔板法兰 万达产品

Products

孔板法兰

孔板法兰

执行标准:HG/T20592~20635-2009、ASME B16.36等。

材质:不锈钢、合金钢、碳钢等。

公称压力:PN10-PN160

产品规格:DN25-DN600

详 情


我公司生产的法兰,以锻制毛坯为原料,采用机加工工艺制造。产品广泛应用于石油及天然气工业、供水工程、化学工业等行业。


郑州航空港经济综合实验区苑林路1号 0371-62538208 \ 62538267 zhengzhouwanda@163.com

© 2022 - Copyright 郑州万达重工股份有限公司 - All Rights Reserved Designed by GreatMo 豫ICP备12015992号-1